产品中心
- 安全带
- 卸扣
- 搬运车
- 液压搬运车
- 液压堆高车
- 油桶搬运车
- 电子秤搬运车
- 液压平台车
- 索具
- G80级索具
- G100级索具
- 轻型索具
- 不锈钢索具
- 其他产品
- 手拉葫芦系列
- HSZ-619A手拉葫芦
- 单轨跑车
- 低净空手拉葫芦
- 防腐蚀手拉葫芦
- HSZ手拉葫芦
- 不锈钢手拉葫芦
- HSZ-622A手拉葫芦
- K-II手拉葫芦
- 舞台手拉葫芦
- 大吨位手拉葫芦
- 防爆手拉葫芦
- 电动葫芦系列
- 环链电动葫芦
- 钢丝绳电动葫芦
- 防爆电动葫芦
- 洁净室环链电动葫芦
- 起重机系列
- 电动单梁起重机
- 旋臂式起重机
- 移动式龙门吊
- 手扳葫芦系列
- 链条手扳葫芦
- 钢丝绳手扳葫芦
- 吊装带系列
- 扁平吊装带
- 柔性吊装带
- 千斤顶系列
- 液压千斤顶
- 螺旋千斤顶
座机:88888888
手机:88888888093
联系人:朱先生
企业66666666
邮箱:88888888
网址:https://
地址:
- 产品名称:
HHB型环链电动葫芦
- 产品型号:
HHB型环链电动葫芦
PRODUCT DETAILS
产品详情
-
外壳: 外壳轻巧而坚固, 散热率高,全密封性设计适合在作业条件较差的环境中使用。
逆相保护装置: 为特殊电器装置, 当电源接线错误时, 控制电路无法工作。
极限开关: 重物吊上吊下都有极限开关装置,使电机自动停止,以防止链条超出,确保安全。
24V/36V装置: 当在操作时如遇到开关漏电,可防止意外事故发生。
制动装置: 此装置可以实现在电源切断时瞬间刹车。
链条袋: 轻巧、美观、耐用。
链条: 采用进口FEC80超强热处理合金钢链条。HHB环链电动葫芦

环链电动葫芦
HHB
悬浮型
■ 日本技术■ 更安全、可靠
■ 双制动系统
■ 单速双速可选
0.5T-35T

3相, 380v, 50Hz (单速/双速)
型号
额定载荷
ton
标准起升高度
m
试验载荷
kn
电机功率 (kw)
单速/双速
链条行数
链条直径
mm
起升速度 (m/min)
单钩/双钩
净重
kg
起升高度每增加1米增加的重量
kg
HHB-0.5AF
0.5
3
6.25
0.75,0.8/0.27
1
6.3
6.8,6.9/2.3
47
0.81
HHB-1.0AF
1.0
3
12.5
1.5,1.8/0.6
1
7.1
6.6,6.9/2.3
61
1.1
HHB-1.0BF
1.0
3
12.5
0.75,0.8/0.27
2
6.3
3.4,3.5/1.2
52
1.62
HHB-2.0AF
2.0
3
25
3.0,3.0/1.0
1
10
6.6,6.8/2.3
115
2.3
HHB-2.0BF
2.0
3
25
1.5,1.8/0.6
2
7.1
3.3,3.3/1.1
73
2.2
HHB-3.0AF
3.0
3
37.5
3.0,3.0/1.0
1
11.2
5.4,5.4/1.8
122
2.8
HHB-3.0BF
3.0
3
37.5
3.0,3.0/1.0
2
10
4.4,4.5/1.5
131
4.7
HHB-5.0F
5.0
3
62.5
3.0,3.0/1.0
2
11.2
2.8,2.7/0.9
151
5.6
HHB-7.5F
7.5
3
94
3.0,3.0/1.0
3
11.2
1.8,1.8/0.6
266
8.4
HHB- 10F
10
6
125
3.0,3.0x2/1.0x2
4
11.2
2.7,2.7/0.9
335
11.2
HHB- 15F
15
6
187.5
3.0x2,3.0x2/1.0x2
6
11.2
1.8,1.8/0.6
451
17
HHB- 20F
20
6
250
3.0x2,3.0x2/1.0x2
8
11.2
1.4,4.5/0.6
546
22
HHB- 25F
25
6
312.5
3.0x2,3.0x2/1.0x2
10
11.2
1.1,1.2/0.4
624
28
HHB- 30F
30
6
375
3.0x2,3.0x2/1.0x2
12
11.2
0.9,1.0/0.3
1143
31
HHB- 35F
35
6
437.5
3.0x2,3.0x2/1.0x2
16
11.2
0.7,0.7/0.25
1385
44.8
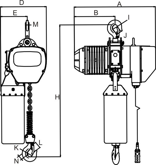
主要外形尺寸:
型号
额定载荷
ton
H
mmA
mmB
mmD
mmE
mmI
mmJ
mmK
mmL
mmM
mmN
mmHHB-0.5AF
0.5
530
545
260
280
160
35
28
35
25
17
17
HHB-1.0AF
1
650
582
280
300
176
40
31
40
31
22
22
HHB-1.0BF
1
650
545
260
280
205
40
31
40
31
22
2
HHB-2.0AF
2
800
670
313
430
265
47
40
47
38
30
30
HHB-2.0BF
2
835
582
280
300
236
47
38
47
38
30
30
HHB-3.0AF
3
845
670
313
430
265
58
47
58
47
36
36
HHB-3.0BF
3
950
670
313
430
320
58
47
58
47
36
36
HHB-5.0F
5
1030
670
313
430
325
60
48
60
48
43
43
HHB-7.5F
7.5
1200
670
313
505
320
54
31
85
80
85
55
HHB- 10F
10
1400
685
352
/
890
85
80
80
80
104
55
HHB- 15F
15
1310
630
315
1070
535
54
54
120
96
88
78
HHB- 20F
20
1470
630
315
1260
630
70
70
150
115
88
98
HHB- 25F
25
1580
630
315
1260
725
70
70
150
115
88
95
HHB- 30F
30
1640
740
315
1300
725
100
100
140
95
217
130
HHB- 35F
35
1790
740
315
1500
725
100
100
200
140
217
150
重庆db真人旗舰集团有限公司是一家集产品研发、生产、经销、技术服务于一体的综合性企业,专业生产经营各类起重设备,是国内生产起重机械规格较全的企业之一,是国内较大的手拉葫芦、电动葫芦生产企业,产品质量责任由国内人民保险公司(PICC) 承保。TOHO品牌产品荣获国内优质产品称号。






- 标签:


